El proceso de fundición a presión utiliza una inyección a alta velocidad de aluminio fundido en el molde de fundición a presión y la formación de mantenimiento de presión y enfriamiento. Las ventajas son: alta eficiencia de producción, bajo costo, buena calidad de superficie y alta precisión dimensional. Las desventajas también son obvias, el costo del molde es alto, la densidad no es alta.
La estructura interna es propensa a encogerse y aflojarse, y hay muchos poros y escoria en los poros internos (debido a que el líquido de aluminio se mezcla con una gran cantidad de aire para formar poros y poros de escoria durante la inyección a alta velocidad), y la mecánica La resistencia y el alargamiento son bajos (esto se debe a que la fundición a presión no se puede usar ya que el tratamiento térmico T6 aumenta la resistencia. La razón por la cual no se puede realizar el tratamiento térmico T6 es porque hay una gran cantidad de poros en el interior. El alargamiento bajo se debe a que El contenido de hierro del aluminio fundido a presión es demasiado alto y cuanto mayor es el contenido de hierro, menor es el alargamiento). Poca estanqueidad al aire. A menudo, las piezas deben sellarse al vacío para sellar la contracción y la porosidad de la pieza fundida. Y no puede producir algunos productos con una cavidad interna complicada, como refrigerante de colector, colectores de admisión, tubos de salidas y entradas, carcasa del turbocompresor ...
Tubería de salidas y entradas por Gravity Casting
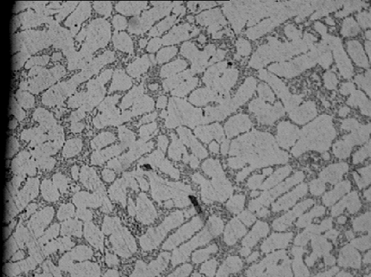
El elemento fundición por gravedad El proceso utiliza un método de verter lentamente aluminio fundido en un molde de fundición y enfriarlo naturalmente. Las ventajas y desventajas son todo lo contrario de la fundición a presión. El producto elaborado tiene una estructura compleja y una organización interna uniforme y densa. A través de un buen diseño del molde, puede hacer que las piezas de fundición de aluminio no tengan agujeros de escoria en el interior, y el producto puede fortalecerse mediante un tratamiento térmico T6. Las fundiciones de aluminio finales tienen alta resistencia mecánica, buen alargamiento y buena estanqueidad al aire.

Microestructura de fundición por gravedad de aluminio
Debido a que los poros internos son invisibles a simple vista, podemos usar una máquina de rayos X para realizar una inspección de rayos X de la fundición de aluminio y, bajo los rayos X, podemos ver claramente el estado interno de la fundición de aleación de aluminio.